继电器
1路继电器模块(接口说明)
一、输入部分
1、DC+:接电源正极(电压按继电器要求,有5V、9V、12V和24V选择)
2、DC-:接电源负极
3、IN:可以高或低电平控制继电器吸合
二、继电器输出端
1、NO:继电器常开接口,继电器吸合前悬空,吸合后与COM短接
2、COM:继电器公用接口
3、NC:继电器常闭接口,继电器吸合前与COM短接,吸合后悬空
高低电平触发选择端
1、跳线与LOW短接时为低电平触发
2、跳线与HIGH短接时为高电平触发
参考网址

电磁阀
二位三通电磁阀
二位三通 常闭型:通电打开,断电关闭并泄压。
参考网址:淘宝【上海星辰电磁阀】宝贝详情

二位二通电磁阀

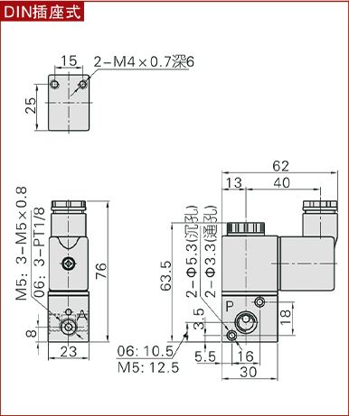
气路说明:(真空-101KPa至正压1MPa,均可正常自由开闭)
断电时(初始状态)P——>A完全封闭,A——>R相通
通电时阀芯切换R口封闭,P——>A相通。
<font color=red>气压使用:P接进气 A接出气 R排气,通电出 断电关后出气口泄压</font>
P连接气源进气,断电时封闭不出气,A——>R想通出气,
通电时R封闭不出气,P——>A相通出气。(R为针孔,不能接管)
P口双面均可进气,可串联使用,也可以装堵头堵上 单边进气(下图所示)

气压传感器
XGZP6847A压力传感器模块
电气连接
| 1 | 2 | 3 | 4 | 5 | 6 |
|---|---|---|---|---|---|
| NC | VDD | GND | VDD | OUT | GND |
| 空置 | 电源 | 公共 | 电源 | 信号 | 公共 |
引脚2、4任意一个接5V 引脚3接GND 引脚5接A0或A1…等
弯曲传感器
弯曲度传感器原装进口 机器人手臂电子手套 FLEX 适用于ARDUINO

引脚接线

变压器
12V33A400W
评论 (0)